2012 honda cbr250r wiring diagram

Need Honda Cbr 250r Diagram 2012. Sportbike OEM Parts in Stock.


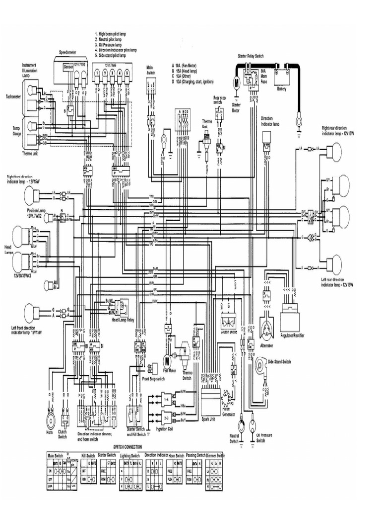
Honda Motorcycle Manual Com Free Manual Electric Wiring Diagrams

Download View Honda Cbr250r Wiring Diagram as PDF for free.

. The representations and colours used to show the wires in a circuit should. Oct 15 2013 2012 Honda. Wiring diagram 1970 chevy 1972 bmw truck c10.

Honda CBR 250 Forums and also Wiring. 2012 Honda Cbr250r Wiring Diagram. - Honda CBR250R Forum.

2012 Honda Cbr250r Wiring Diagram Browsing a Car Wiring Diagram is a ought to for a thriving car restore career. Honda Cb125j 1978 Electrical Wiring Problem Neutral Light Blinks When Blinker Switch On Motorcycle Forum. Ad Shop OEM replacement parts accessories direct from the dealer specific to your machine.

Wiring Diagrams - Honda CBR 600 1995-1996 - Kappa Motorbikes wwwkappabikesxyz. 18 Pictures about Cbr250r Wiring Diagram. Japanese brand Honda is known as one of the largest motorcycle manufacturers.

Ad Browse best sellers and find deals on 2012 cbr250r at Amazon. Motor cbr repsol 150 cc. 2008 Honda Cbr600rr Wiring Diagram - Rubydollstyling.

By Mahoon Pivano - The All New Platina 110 H Gear With The Advanced H Gear System. Wiring diagram 1970 chevy 1972 bmw truck c10 motorcycle r75 r50 cbr1000rr diagrams r755 r505 schematic pertaining regard indicator blinker. 2011 Honda Cbr250r Wallpaper.

Authorized dealer for Polaris Can-Am Ski-Doo Arctic Cat Honda. Wiring Diagram Schemas Honda Cbr250r Wiring Diagram and also Honda Cbr250r Wiring Diagram. Buy the latest Motorsports Parts by category.

Ford 2004 ranger diagram wiring schematic v6 4x4 need sensor. Need Honda Cbr 250r Diagram 2012 250 Forum. 2008 Honda Cbr600rr Wiring Diagram -.

Honda Cbr250r Wiring Diagram Pdfcoffee Com. Cbr250r Wiring Diagram Headlight Wiring Help. 08 Cbr600rr Wiring Diagram Honda Cbr 600rr Forum.

Some HONDA Motorcycle Manuals PDF Electric Wiring Diagrams are above the page. Honda cbr wiring 1995 1996 diagrams. 2011 Honda CBR250R wiring diagram how do I wire the three wires from the ignition my bike was stolen and the - Honda 2011 CBR250R question.

2012 honda cbr250ra wiring diagram. Ad Free Shipping for Orders Over 79. Df250rtd Dongfang Motor Inc Inspired By The Honda 250.

Access one thousand one hundred thirty-eight spare parts listed in these schematics. Sometimes CBR250R 2011 B parts lists are also know as parts fiches or partsfishes schematics. Download View Honda Cbr250r Wiring Diagram as PDF for free.

Find the Parts that Fit your Vehicle. Honda cbr wiring diagram 1995 supersport unit spark comp usa f4 wire schematic cmsnl harness 1999 resources.


Honda Cbr 250r 2012 1086142503 Olx


2011 2012 2013 Cbr250r Honda Online Motorcycle Service Manual Cyclepedia


Honda Cbr250r Fuel Tank Disconnection Procedure English Youtube


Fur Honda Cbr250r Cbr300r Cbr400r Cbr500r Cbr600f Cbr650f Lcd Elektronik 1 6 Ebene Getriebe Anzeige Moto Speed Digital Meter Instrumente Aliexpress


2011 2012 2013 Cbr250r Honda Motorcycle Service Manual Printed Cyclepedia


Honda Motorcycle Cbr250r Haynes Repair Manuals Guides


Gauge Cluster Meter For Honda Cbr250r Cbr 250 2012 2013 Motorcycle Universal Speedometer Tachometer Odometer Instrument Instruments Aliexpress


Honda Cbr 250r Xbhp Com The Global Indian Biking Community


Honda Motorcycle Manual Com Free Manual Electric Wiring Diagrams


11 13 Honda Cbr250r Cbr 250 Main Engine Wiring Harness Motor Wire Loom Ebay


Honda Motorcycle Manual Com Free Manual Electric Wiring Diagrams


Honda Super Cub Png Images Pngwing


West Coast Motorcycles Cbr250rr Fireblade 1995 Wire Harness


Motorrad Tacho Fahrrad Tacho Fur Honda Cbr250r Cbr 250 2011 2012 2013 Werkzeugteile Aliexpress


1 Cbr250 Wiring Diagram Pdf Pdf


Honda Motorcycle Manual Com Free Manual Electric Wiring Diagrams


2011 2012 2013 Cbr250r Honda Online Motorcycle Service Manual Cyclepedia

Iklan Atas Artikel

Iklan Tengah Artikel 1

Iklan Tengah Artikel 2

Iklan Bawah Artikel